新型軸帶發電機系統

20230717
  • GOF_4523
  • GOF_4523

新型軸帶發電機系統

新型軸帶發電機系統采用創新的動態穩定技術,能夠在船舶軸系持續振動、擺動和扭動的嚴苛工況下,有效預防設備抱死,保持內部運行間隙穩定,顯著提升發電效率,為船舶動力系統提供更可靠的保障。

-新型軸帶發電機系統
立即詢價
  • 系統組成及工作原理
  • 產品參數
  • 在線詢價

系統介紹


軸帶發電機(Shaft Generator)是一種安裝于船舶主推進軸系,通過主機軸功驅動發電機組的電力設備。它充分利用船舶主機航行過程中的富余動力,替代或部分替代傳統輔機發電,為船舶供電。相比常規輔助發電機,軸帶發電機在船舶航行狀態下無需額外燃油消耗,顯著降低燃油成本和溫室氣體排放,有效助力船東應對IMO碳強度指標(CII)、能效指數(EEDI/EEXI)等環保法規要求。憑借穩定的電力輸出和優異的節能減排效果,軸帶發電機已成為新造船和改裝項目中備受青睞的綠色動力解決方案。


GOF_4523

新型軸帶發電機系統采用創新的動態穩定技術,能夠在船舶軸系持續振動、擺動和扭動的嚴苛工況下,有效預防設備抱死,保持內部運行間隙穩定,顯著提升發電效率,為船舶動力系統提供更可靠的保障。




核心部件


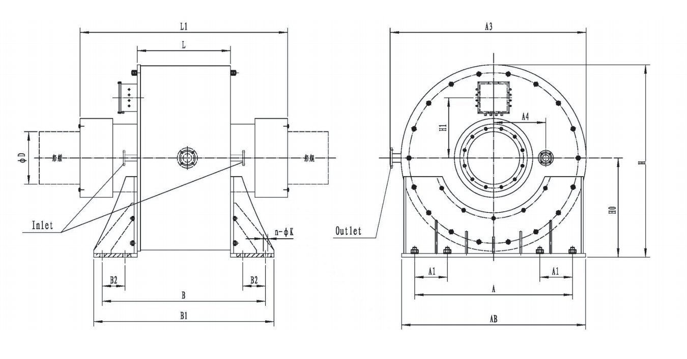
軸帶發電機系統主要由發電機、變頻器、變壓器、控制系統等核心設備組成。



發電機通過主軸動力驅動,產生交流電能;


變頻器對發電機輸出的電能進行穩定調節,實現不同工況下的最佳電能質量管理;


變壓器根據船舶電網需求進行電壓轉換,確保電力系統安全高效運行;


控制系統則負責實時監測與智能管理各單元設備的運行狀態,保障系統聯動穩定、故障可控。


各部件緊密協同,構成一套高效、節能、可靠的船舶電力解決方案。




系統優勢


· 動態穩定防抱死技術


傳統發電機通常采用鼠籠式結構,其轉子與螺旋槳軸剛性連接,而定子及殼體則與船體固定。該結構對徑向配合精度要求極高,無法容忍螺旋槳軸出現任何振動、擺動或扭動。然而在實際航行中,尤其是老舊船舶,螺旋槳軸因長期運行往往存在一定松動,不可避免地產生多種復雜運動。這容易導致鼠籠結構內部的轉子與定子發生摩擦甚至接觸,進而引發設備抱死,致使船舶發動機停轉。若此類故障發生在遠洋海域,船舶將面臨失去動力的巨大風險,可能造成難以估量的嚴重后果。



海德威新型軸帶發電機采用創新的動態穩定技術,能夠在船舶軸系持續振動、擺動和扭動的嚴苛工況下,始終保持內部運行間隙的穩定。這一設計不僅有效預防了設備抱死現象,更帶來了發電效率高、能量轉化能力強、故障率低及環境適應性優異等顯著優勢,為船舶動力系統提供了更可靠、更安心的保障。


· 最小化軸系影響


針對傳統軸帶發電機對軸系運行不利影響的問題,海德威軸帶發電機系統通過結構輕量化、轉子優化設計及先進控制策略,最大限度降低對軸系的干擾,全面降低軸系發電機系統對船舶運營安全的影響。


軸系穩定性——本產品采用低轉動慣量設計,有效減小軸系扭轉振動固有頻率變化,降低共振險,保障主機在全航速區間內軸系振動穩定,提升整船運行可靠性。


啟動/制動——優化的發電機轉動慣量設計,降低啟停過程中的扭矩沖擊,減少主機啟動負荷與制動慣性,提升船舶機動性與操作安全性,延長軸系及推進系統使用壽命。


支撐部件——小轉動慣量發電機運行時對軸承、密封裝置等支撐部件施加的徑向力與軸向力顯著減小,降低長期磨損,延長維護周期,保障軸系長期對中精度及可靠性。



產品參數

軸帶發電機系統適用于各類型新造船與營運船,尤其在12-14節高負載穩定航行狀態下性能最佳。海德威軸帶發電機系統支持中低速雙沖程船舶主機,并可通過前端或隧道齒輪連接主軸,實現PTO發電功能,減少對船體或軸線改裝,適配性強。



在高效工況下(主機負荷約SMCR的10-20%),軸帶發電機可回收主機富余軸功,為船舶電網提供穩定電力,減少輔助機組運行時間,從而顯著降低整體燃油消耗與碳排放。



海德威軸帶發電機系統適用包括不同噸位的散貨船、油船、集裝箱船等大型新造、營運船舶。在主機穩定運行期間,通過PTO高效供電,減少輔機負荷。





改裝周期



海德威可提供包括軸發電機、變壓器、整流變頻器、循環冷卻器系統在內的一站式軸帶發電機解決方案。憑借強大的技術支持團隊,海德威可在全球30余個港口提供軸帶發電機技術服務。






與智慧船舶系統整合



接入智慧船舶系統后,軸帶發電機將成為高效、可靠且可持續的能源中樞。系統通過實時采集、分析發電機運行數據,實現對發電效率、負載分配和燃油消耗的精確可視化與智能優化,顯著提升航程經濟性。



結合智能啟停與負載預測策略,確保發電與推進系統協調運行,提升能效比,延長設備壽命。通過智慧機艙中遠程診斷與預警功能,在故障萌芽階段觸發維護建議,提高船舶運營可用性。


面對日益嚴格的環保要求,軸帶發電機與智慧船舶系統的有機結合可以有效降低碳排放及污染物排放,助力船舶滿足監管規定與可持續發展目標,帶來更低的總擁有成本、更高的運營可靠性與更強的環境競爭力。

注冊訂閱我們的資訊郵件